(immagine da barrywatson.se)

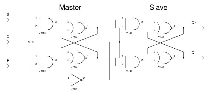
Serve a risolvere il problema dei flip-flop set-reset (SR), cioè che potrebbero cambiare stato più volte durante un singolo impulso di clock.

  • Il primo FF (Master) prende gli ingressi quando il clock è 1,
  • il secondo FF (Slave) aggiorna gli stati in uscita solo quando il clock torna a 0.

La sua tavola di verità è identica a quella del flip-flop SR.

N.B.: disegnando un diagramma temporale, è evidente che l’alternanza tra active-high (recettivo agli 1) e active-low (recettivo agli 0), dimezza il tempo di aggiornamento dello stato in uscita.