
Questa CPU implementa le istruzioni di Tipo R, lw, sw e beq.
Come progettarla?
- Scegliere l’insieme di istruzioni da realizzare,
- Definire come viene elaborata un’istruzione (in quali fasi viene eseguita),
- Scegliere le unità funzionali necessarie rendendosi conto che una singola unità può essere impostata per fare compiti diversi, quindi bisogna inserire delle linee di selezione adeguate,
- Collegare le unità funzionali tra loro con i datapath (interconnessioni che definiscono il flusso di più bit per ognuna all’interno della CPU),
- Costruire la CU (Control Unit) che ha come output tutte le linee di selezione per le unità funzionali,
- Calcolare il tempo massimo di esecuzione delle istruzioni per ottenere il periodo di clock.
1. Istruzioni da realizzare
Decidiamo di implementare:
addesubche sono operazioni aritmetico-logiche,beq, salto condizionato,swelwche scrivono e leggono in memoria.
È necessario ricordarsi i formati delle istruzioni per progettare i datapath.
2. fasi dell’esecuzione di un’istruzione
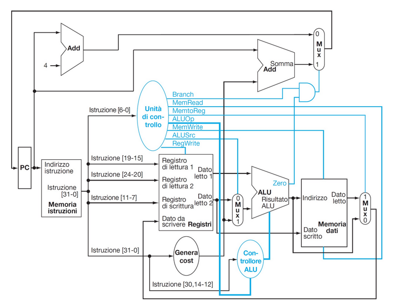
3. Scegliere le unità funzionali necessarie
- Tutti i componenti della CPU;
- gli elementi di stato (registri e RAM) dell’architettura RISC-V;
- l’unità di estensione del segno in CA2, che serve a trasformare un intero relativo da 12 a 32 bit: serve perché i campi immediati sono lunghi 12 bit, ma l’ALU e i registri lavorano su 32 bit. Dovrà necessariamente essere migliorata, diventando l’unità “Genera Costante”: essa estende il segno, moltiplica il risultato ottenuto per 2 (in RISC-V le istruzioni vengono indicizzate alla half-word) e la somma al PC (Program Counter);
- L’ALU Control Unit (a 4 bit di input e 2 di selezione) prende in selezione il tipo di operazione ALUOp (che proviene dalla CU) e in input campi funzione (funz7 e funz3) in base alle casistiche, produce le linee di controllo ALU e gliele passa come linee di selezione.
Approfondimento sull’unità di controllo dell’ALU
La logica di controllo per l’ALU è implementata attraverso 2 livelli di decodifica:
- Selezione: L’ALU Control viene impostata da ALUOp che proviene dalla CU e agisce come una linea di selezione a 2 bit:
| tipo di istruzione | ALUOp |
|---|---|
| lw, sw (operazioni di memoria) | 00 |
| beq (operazioni di salto) | 01 |
| tipo R (operazioni aritmetico-logiche) | 10 |
In base all’ALUOp si prendono i campi funzione adatti al tipo di istruzione e vengono passati in input all’ALU Control:
- Le operazioni di memoria e di salto prendono tutto il campo funz7 dell’istruzione
- quelle R prendono un solo bit di funz7 (il 30esimo bit dell’istruzione) + tutto il campo funz3 (i bit da 14 e 12 inclusi dell’istruzione).
L’ALU control produce e restituisce in output la linea di selezione dell’ALU:
| Linee di controllo ALU | Funzione |
|---|---|
| 0000 | AND |
| 0001 | OR |
| 0010 | ADD |
| 0110 | SUB |
| … | altre 14 possibili operazioni da implementare |
N.B.: Se un’unità funzionale può ricevere dati da più sorgenti è necessario inserire un multiplexer (MUX) per selezionare la sorgente giusta.
5. Costruzione dell’unità di controllo
| Nome del segnale in output/linea di selezione per gli altri componenti | Effetto quando non assetito | Effetto quando asserito |
|---|---|---|
| ALUSrc (immediate) | Il secondo operando dell’ALU proviene da “Dato letto 2” | Il secondo operando della ALU proviene dall’estensione del segno dei 12 bit del campo immediato dell’istruzione |
| MemToReg | Il dato inviato al register file per la scrittura proviene dall’ALU | Il dato inviato al register file per la scrittura proviene dalla Memoria Dati |
| RegWrite | Nullo | Il dato da scrivere viene memorizzato nel registro da scrivere |
| MemRead | Nullo | Il dato della memoria nella posizione puntata dall’indirizzo viene inviato in uscita sulla linea “Dato Letto” |
| MemWrite | Nullo | Il contenuto della memoria nella posizione puntata dall’indirizzo viene sostituito con il dato presente sulla linea “Dato Scritto” |
| Branch (anche detto PCSrc) | Il Program Counter si aggiorna normalmente (+4) | Il Program Counter esegue il salto |
| ALUOp (2 bit) | Nullo (ad esempio nelle operazioni di memoria) | Passa come linea di selezione nell’unità di controllo dell’ALU, essa poi producerà l’OpCode dell’ALU |
| istruzione | ALUSrc | MemToReg | RegWrite | MemRead | MemWrite | Branch | AluOP |
|---|---|---|---|---|---|---|---|
| Tipo R | 0 | 0 | 1 | 0 | 0 | 0 | 10 |
| lw | 1 | 1 | 1 | 1 | 0 | 0 | 00 |
| sw | 1 | 0 | 0 | 1 | 0 | 00 | |
| beq | 0 | 0 | 0 | 0 | 1 | 01 |
6. Calcolare i tempi di esecuzione
È noto che:
| componente | tempo di esecuzione |
|---|---|
| memoria (accesso per dati o istruzioni) | 200 ps (Fetch e MEM) |
| ALU e adder | 200 ps (EX e PC) |
| registri (lettura o scrittura) | 100 ps (ID e WB) |
| tutte le altre componenti | 0 ps |
Da ciò si possono calcolare i tempi di esecuzioni delle istruzioni (in picosecondi)
| istruzione | Fetch dell’istruzione | lettura dei registri | ALU | accesso alla memoria | register write back | totale |
|---|---|---|---|---|---|---|
lw | 200 | 100 | 200 | 200 | 100 | 800 |
sw | 200 | 100 | 200 | 200 | 700 | |
| Tipo R | 200 | 100 | 200 | 100 | 600 | |
beq | 200 | 100 | 200 | 500 |